Analog Devices

Analog Devices


TigerSHARC

Targets: Communication & Wired, Industrial, Medical, Military & Aerospace

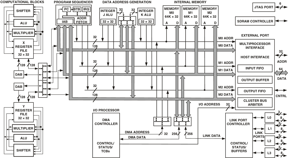
Analog Devices TigerSHARC Block Diagram

Analog Devices' TigerSHARC processors are static superscalar architecture devices that combine RISC, VLIW, and standard DSP functionality with support for fixed and floating-point data types. The target application segments for the TigerSHARC portfolio include digital baseband modem solutions within the communications market, as well as defense, medical imaging and industrial instrumentation end equipment.

The ADSP-TS201, TS202, and TS203 operate at a maximum frequency of 600 MHz and offer up to 24-Mbits of embedded DRAM effectively operating at core speed. The ADSP-TS20X processors include four 128-bit wide internal buses to support simultaneous access of four individual internal memory banks. The inclusion of LVDS serial Link Ports, coupled with a configurable parallel port known as the Cluster Bus, deliver up to an aggregate 5-Gbytes of non-intrusive external bandwidth per second.

The ADSP-TS101S features a 300 MHz maximum frequency and include 6-Mbits of internal SRAM. The processor executes eight 16-bit MACs with 40-bit accumulation or two 32-bit MACs with 80-bit accumulation per cycle.